基于传感器网络的嵌入式远程测控系统设计
信息技术领域将物联网视为继计算机、互联网、移动通信网络之后的第三波发展浪潮,其中融合了传感器技术、嵌入式技术、网络通信技术以及数据处理技术的传感网,已作为“智慧地球”建设的重要技术之一。根据未来测控领域的发展方向,旨在为大众提供更智能化的生活体验,本研究设计了一种依托无线传感网络的嵌入式远程监控体系,并完整阐述了其技术实现路径开yun体育官网入口登录app,该路径已成功部署于家庭自动化场景中,系统展现出优良的数据即时处理能力,能够覆盖广阔的监测区域,同时具备良好的环境适应条件。
0引言
本文将介绍一种无线传感器网络的新型网络系统。这种由多个具备运算处理、无线联络、探测或操控功能的独立单元组成的无限传感网络是国际上备受瞩目的跨领域尖端研究方向,它能够实现数据获取、即时观测、信息交互、联合运算、数据供给等作用,极大地丰富了网络技术内涵,并使得借助网络实时监管各类环境与设施得以实现。传感网属于物联网范畴,它主要在物联网的信息感知层面发挥作用,其功能在于追踪、监察以及为决策提供依据,目的是达成智能化的感知与管理。
这种专用计算机系统围绕特定用途构建,核心在于计算机技术,并且软件硬件能够根据需求调整配置,它主要服务于那些对稳定性、经济性、空间占用以及能耗指标有很高标准的场景。该系统通常由两个大的部分构成,一个是物理上的组件,另一个是逻辑上的程序。物理组件涵盖了中央处理单元以及各种辅助设备,而逻辑程序则包含了系统运行的基础平台和为特定任务设计的执行代码。这类技术能够普遍应用于对其他机器的操控、状态跟踪或资源调配等操作。
测量与调控特定指标是一项技术手段。远程监控与调控人员借助网络,可在不同地点连通目标设备开yun体育app入口登录,并运用本地计算机对远端设备实施查询、设定、调整等操作。这种远程技术有助于实现办公和工业的自动化整合,同时也成为当前研究的热门方向。伴随网络需求的增长和进步,浏览器服务器架构模式得到了快速推广。借助这种机制,用户只需要配置一个网络浏览器,便能轻松地从网络平台获取程序,并部署到个人设备上运行,从而达成远程操控的目的。
计算领域、通讯领域和微电子领域的迅猛进步,促使测量控制领域发生深刻转变,网络化与数字化已成为该领域的前进路径。融合多种传感网络方法、嵌入式系统方案以及工业自动化监测手段,创建一个依托互联网的远程监控平台,能够显著增强监控设备的即时响应能力、安全防护水平以及后续维护便利性,并且更便于达成集中观察、统一指挥和高效治理的目标。本文综合运用各类技术,阐述了一种基于互联网的嵌入式远程监控架构,并借助这一模式成功搭建了一个家庭智能化应用实例。
1远程监控系统的总体结构设计
基于网络技术的嵌入式远程监测调控系统的整体构造如图1所示。此远程监测调控系统主要由嵌入式监测调控装置、本地服务平台以及远程管理终端这三个组成部分构成。

图1远程测控系统基本构架
层内嵌的控制单元主要布置在各个监测点上,包含中央处理装置、感应设备、操作机构、网络连接端口、全球定位系统装置、无线通信模块等部件,承担着收集实地环境指标的任务,同时将各个指标数值与预设标准进行对照,一旦出现异常波动,就会借助警示装置发出提醒,并促使所有操作机构启动,目的是使各项参数回归正常区间,并且借助专门构建的通信方式将检测信息发送至本地数据平台,以便让远程监控系统呈现相关内容。定位出现问题的设备,GPS模块能够精准实现,GPRS模块承担无线收发功能,当有线网络中断时,能保障数据传输的高品质,这对于嵌入式系统在远程测控领域的应用,意义重大且具备可行性。
核心枢纽是本地服务器,它负责汇集各测控单元传送的监测数据,并将这些数据归档至数据库,定期检索和分析测控单元的运行状况,一旦察觉异常,便即刻通过短信告知相关人员。此外,服务器还需周期性地将数据库信息同步给远程管理者,确保管理者能实时掌握所有测控设备的运作情况,并具备对测控单元进行调控的能力。
最高层是远程监控中心,它能够全面检查各个操作节点,可以查询和调控它们的状态,能够获取操作平台发送来的各类数据,也能够向底层设备下达指令,实现操作与执行,还可以通过网络地址直接操控某个具体的操作节点,对全部设备进行集中控制。网络线路中断后,可借助GPRS实现无线通讯,确保用户随时掌握设备状况。
该系统借助前端感应单元和消息获取单元,汇集各单元的指标数据,提交给嵌入式单元进行运算和记录,并且周期性地把监控数据发送给控制服务器,经由服务器显示在操作平台上,进而达成对各控制单元的调控作用。这个远程控制平台让小型单元接入公共网络,能够即时掌握每台单元的作业状况。网络监控手段具有显著的适应性,系统部署与后续维护的成本较为经济,能够储存的资料数量更为丰富,资料留存途径更加多样,整体融合程度更为深入。基于网络的远程监控消除了时空的束缚,只要具备网络环境,且获得相应许可,用户即可不受阻碍地随时按需进行观察,具备即插即用的便捷特性。
2关键技术研究
2.1嵌入式系统设计
嵌入式监测装置充当感知网络的各个点,主要任务在于收集数据,同时将光信息、化学信息等转变为电信息,然后传输给微控制器,由其完成后续的运算。这个监测调控装置是借助嵌入式技术创造出来的具备自动检测与调控功能的系统,其核心是中央微处理器,并融合了SDRAM、NANDFLASH、RJ-45网络端口、四线触控面板接口、串行通信端口、液晶显示器、USB连接端口、SD卡记录端口以及模数和数模转换模块。借助SP3243ECA芯片,经由UART1与UART2,能够将TTL电平转换成RS232电平,以便实现GPS和GPRS通信功能。整个系统的硬件构造在图2中有详细展示。

图2嵌入式系统硬件框图
软件系统主要涉及程序启动,驱动程序,操作系统,以及应用软件。Linux系统采用开源模式,支持内核定制,并且成功在Motorola,NEC,ARM等众多硬件平台上稳定高效运行,同时具备出色的网络性能,以及卓越的文件系统支持能力等优势。因此决定采用Linux系统,针对实际用途,经过定制化处理和跨平台编译,最终生成ARM架构的可执行代码,再通过串行端口与网络端口写入到闪存内。该控制单元的软件系统由多个部分构成,包含数据获取单元、屏幕界面单元、按键操作单元、网络交互单元、数据传输单元以及指令执行单元等组成部分。优化人机交互界面,把QT/Embedded显示系统从原有平台迁移到Linux系统,同时研制配套的图形操作界面,以此提升用户体验。
2.2Web应用技术
该系统运用浏览器/服务器架构,需要让测控服务器或测控管理机能通过网页直接访问智能测控单元,因此智能测控单元必须内置网络服务功能。在嵌入式Linux环境下,选用Boa作为网络服务程序,能让系统在目标设备上稳定可靠地执行,同时使用管理起来简单便捷,并且运行安全性有保障。Boa作为嵌入式Web服务器,具备接收客户端请求、解析请求内容、生成响应信息、向客户端发送处理结果等基本功能。它不同于常规Web服务器的地方在于,HTTP请求的处理速度非常快,运行效率极高,因此在嵌入式设备中展现出显著的应用优势。
Boa程序的移植主要分为以下几个步骤:
(1)针对ARM-Linux系统Boa源码并解压之;
(2)生成并修改Makefile文件,
安装Boa服务器后,该服务器便具备相应功能,将编译完成后的二进制程序传送至FLASH存储区域,Web服务器功能即告实现。
2.3数据通信技术
这个系统的联络方式包含架空的线路连接,无线的信号传输,GPRS的数据交换,GPS的定位指引,以及专门设计的协议交流。
GPRS具备诸多长处,在数据通信领域应用十分普遍,因此系统设计时选用了西门子公司的GPRS模块MC35,用以传送采集到的信息。
MC35模块可兼容GSM900频段与GSM1800频段,其接收数据最高速度能达86.20Kb/s,发送数据最快速度可到21.5Kb/s,该模块也方便与其他系统对接,其UART1端口通过TTL232电平转换器与ARM2440处理器的相应接口相连。
加装卫星定位装置,能够实时掌握智能控制装置的具体地点,这个装置的卫星接收单元选用了Motorola品牌的M12+ONCORE型号,其串行数据传输的规格设定为传送速度每秒4800个信号单元,信息字段包含八个二进制位,结束字段由一个二进制位构成。
通信联络由测控单元、本地服务器和远程管理机采用TCP/IP协议完成,不过TCP/IP协议族里包含的协议种类非常多,而嵌入式系统的资源却很受限制。所以,对TCP/IP协议族进行恰当的删减更有必要。简化TCP/IP协议需要遵循两个要点:首先要保证它维持面向连接的基本属性,其次它的简化版本必须能够与其应用层所使用的协议相匹配。本地服务器和远程管理机借助智能测控单元里动态的网页,达成与智能测控单元的联络,接着获取资讯,发出操作命令。
3应用实例及分析
传感器制造、芯片加工、嵌入式计算等技术的进步,推动无线传感器网络的研究和进步迅猛发展。这类网络的应用范围,已从最初军事用途扩展到多种场景开yunapp体育官网入口下载手机版,特别是大型企业的参与,促使其在环境监测、工厂管理、智慧城市和家庭自动化[11]等方面展现出切实可行的应用价值。当今电子技术持续进步,电子行业随之发生了深刻变革,同时民众对于生活便利性的期待也在不断提升,针对这一趋势,本文提出一个融合传感器网络与ARM技术的家庭智能化系统,该系统旨在监测并调控住宅内的火灾预警、雨水感应等环境指标以及各类用电器具,让居住者即便不在现场,也能远程操控分散在不同地点的设备。
3.1嵌入式测控单元器件选择与设计
这些装置散布在住宅各处,主要任务是收集现场数据并加以调控,其核心职责是监测环境参数如温度和湿度,检查并管理各类电器,同时完成与监控终端的网络连接,并具备网页服务能力。
这个系统主要运用两种传感器,分别是用于监测湿度和烟雾的设备。湿度感应器安装在窗框上,负责检测空气中的湿度水平,依据是否下雨来决定窗户的开闭状态。本方案选用HM1500作为湿度监测的核心部件,该部件的湿度检测范围较宽,具体数值为0%到100%,而且不会受到水汽浸泡的影响,温度变化对其测量结果影响极小,并且具有良好的线性关系。火警测量传感器选用NIS09C型号,该型号能够满足多种高灵敏度烟雾探测,也能实现火灾报警功能。
湿度超出标准值时,会启动设备关闭窗扇,否则保持原状;一旦探测到烟雾,能管理灭火装置的启闭以及门窗的开关,并且警报系统会响起,住户会收到短信提醒,这样有助于防止火灾发生。
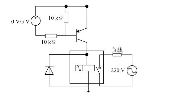
远程操控电器的开关装置由一个控制线路构成,具体构造参见图3。

图3远程控制开关控制电路
微控制器的输出信号通过晶体管进行放大,然后提供给继电器作为控制信号。如果微控制器输出电平较低,晶体管会进入导通状态,使得继电器得电并闭合,从而让负载获得电源。相反,当微控制器输出电平较高时,晶体管会处于阻断状态,继电器失电并断开,导致负载断开连接。这样一来,远程的管理设备便能够操控用电设备的开启与关闭。
3.2软件设计要点
这个计划要求编写用于检测湿度和烟雾的程序,以及用于操控蜂鸣器和发送短信的驱动程序,这些程序需要在Linux的跨平台开发环境中进行设置,去除不必要的驱动部分,只保留对当前系统有价值的驱动,完成保存后重新编译,并将结果安装到存储器中,而其他的监控管理软件无需任何改动就能直接应用。
反复进行测试和实验,证明了这个方案是切实可行的,借助中间件技术完成必要设置,就能让这个远程测控平台在众多行业发挥广泛作用,面对不同场景,基本只需调整传感器和配套的驱动程序,至于上层的数据传送以及各类应用软件则保持不变。
4结语
说明了一种依靠感应网络构建的装置远程监控架构,解释了整体构造以及关联的重要技术,涵盖装置开发、信息交互和主机处理等,通过家庭智能装置的实际运用验证了此设计的有效性。这个系统拥有极高的安全系数,花费不多,智能程度高,能迅速发出警报,并且有助于节约能源,由此可见,探索远程监控的应用,利用网络的长处,让人工智能助力社会向前发展,这件事意义重大。